有铁芯直线电机
型号:XBL40050
类别:直线电机模组
品牌:腾博官网诚信为本专业服务XINGYU
产地:宁波奉化
产品简介
有铁芯直线电机又称平板电机。由于体积大、线圈单元大、内附增磁性材料,使其具有更大的推力能力、散热能力,擅长千重负载、高加减速、高速、长行程的运动,常用于点位精度的运动与一般的轨迹精度应用。腾博官网诚信为本专业服务有铁芯直线电机基于生产工艺的积累与电磁的优化,使其具有超低顿振的效应,在推力与稳定性中体现了优异的平衡。现有标规产品的持续推力范围∈[120,800]N,峰值范围∈[240,2400]N几乎满足一切工业自动化的运动应用需求。同时,对于特殊客户应用还可以灵活定制直线电机产品。
产品特点
○ 低顿振的有铁芯直线电机
○ 良好的热散性能
○ 大推力、高加减速、重负载、高运行速度
○ 功率范围覆盖面广
○ 可 灵 活 客 制 产 品
应用领域
○ 非标自动化:LCM 光电、锂电池设备等
○ FPC制程
○ 半导体设备
○ 激光应用设备
○ SMT贴片、 PCB钻孔
○ AOl视觉应用
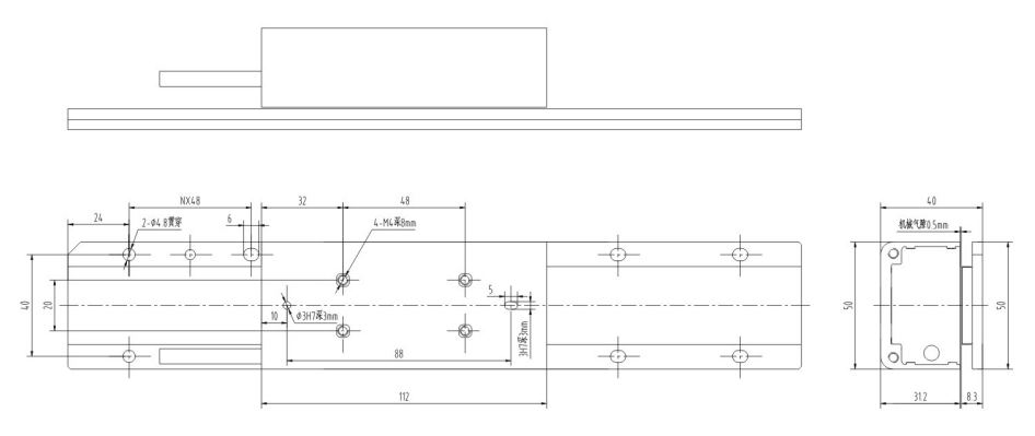
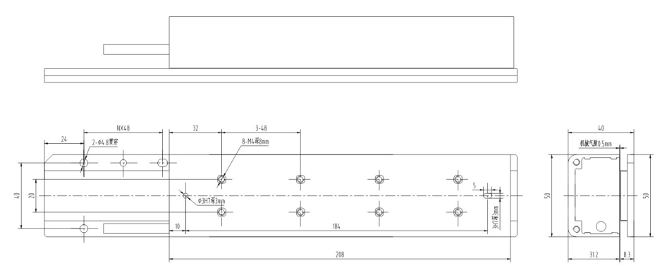
技术参数
性能参数 | 单位 | XBL40050F112 | XBL40050F208 |
峰值推力 | N | 240 | 480 |
持续推力 | N | 120 | 240 |
峰值电流 | ARMS | 7.0 | 9.0 |
持续电流 | ARMS | 3.5 | 3.5 |
相间电感 | MH | 17.2 | 38.7 |
相间电阻 | Ω | 3.8 | 7.5 |
力常数 | N/ARMS | 42.5 | 83.9 |
反向电动势 | V/M/S | 34.6 | 68.2 |
磁极距 | mm | 24.0 | 24.0 |
最大绕组温度 | ℃ | 120 | 120 |
标配电缆线长 | m | 0.5 | 0.5 |
最大电压 | Vac | 380 | 380 |
磁吸力 | N | 591 | 1182 |
动子质量 | kg | 0.77 | 1.47 |
定子信息 | 定子长度L | 安装孔个数2N | 定子质量kg |
XBL40050M48 | 48 | 2 | 0.13 |
XBL40050M144 | 144 | 6 | 0.38 |
XBL40050M240 | 240 | 10 | 0.65 |
结构尺寸


型号说明

输出力矩

公司简介
制造能力
行业应用
合作伙伴
服务网络
下一篇:有铁芯直线电机