手动对夹蝶阀
型号:RDVL7
类别:气动蝶阀
品牌:腾博官网诚信为本专业服务XINGYU
产地:宁波奉化
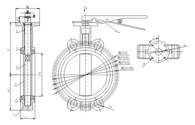
技术参数
型号 | DN | A | B | L | H | H1 | H2 | K | E | N-ΦD | ISO | PN10 | PN16 | CL150 | JSI10K | |||||
ΦD | n-Φd | ΦD | n-Φd | ΦD | n-Φd | ΦD | n-Φd | |||||||||||||
RDVL7-40 | 40 | 12.6 | 3 | 33 | 126 | 74 | 28 | 54 | 42 | 4-Φ6.5 | F40 | 110 | 4-Φ19 | 110 | 4-Φ19 | 98.5 | 4-Φ16 | 105 | 4-Φ19 | |
RDVL7-50 | 50 | 12.6 | 3 | 42 | 126 | 74 | 28 | 65 | 50 | 4-Φ7.5 | F05 | 125 | 4-Φ19 | 125 | 4-Φ19 | 120.5 | 4-Φ19 | 120 | 4-Φ19 | |
RDVL7-65 | 65 | 12.6 | 3 | 44.5 | 137 | 83 | 28 | 65 | 50 | 4-Φ7.5 | F05 | 145 | 4-Φ19 | 145 | 4-Φ19 | 139.5 | 4-Φ19 | 140 | 4-Φ19 | |
RDVL7-80 | 80 | 12.6 | 3 | 44.5 | 144 | 92 | 28 | 65 | 50 | 4-Φ7.5 | F05 | 160 | 8-Φ19 | 160 | 8-Φ19 | 152.5 | 4-Φ19 | 150 | 8-Φ19 | |
RDVL7-100 | 100 | 15.77 | 5 | 51 | 165 | 108 | 28 | 90 | 70 | 4-Φ10 | F07 | 180 | 8-Φ19 | 180 | 8-Φ19 | 190.5 | 8-Φ19 | 176 | 8-Φ19 | |
RDVL7-125 | 125 | 18.92 | 5 | 54.5 | 176 | 127 | 28 | 90 | 70 | 4-Φ10 | F07 | 210 | 8-Φ19 | 210 | 8-Φ19 | 216 | 8-Φ22 | 210 | 8-Φ23 | |
RDVL7-150 | 150 | 18.92 | 5 | 54.5 | 198 | 144 | 28 | 90 | 70 | 4-Φ10 | F07 | 240 | 8-Φ23 | 240 | 8-Φ23 | 241.5 | 8-Φ22 | 240 | 8-Φ23 | |
RDVL7-200 | 200 | 22.1 | 5 | 60 | 228 | 170 | 35 | 125 | 102 | 4-Φ12 | F10 | 295 | 8-Φ23 | 295 | 12-Φ23 | 298.5 | 8-Φ22 | 290 | 12-Φ23 |
结构尺寸

公司简介
制造能力
行业应用
合作伙伴
服务网络