引线电磁阀线圈接线盒

型号:SB210/0200 一体化黑色

类别:接线盒

品牌:腾博官网诚信为本专业服务XINGYU

产地:宁波奉化

产品简介

  SB223 0200一体化接线盒广泛应用于液压、气动、电器等行业中,作为电磁线圈等与外界控制部分的电器连接。


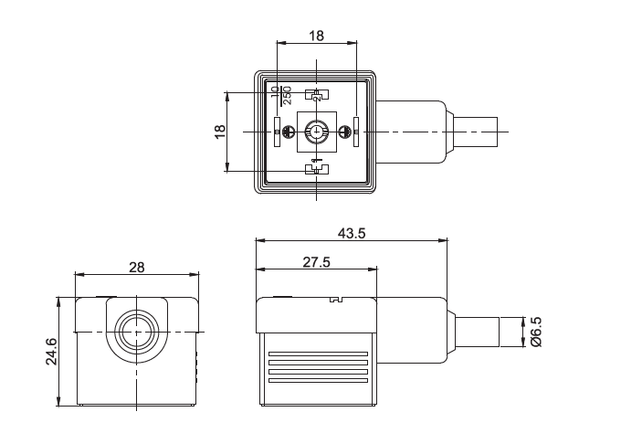
技术参数

插脚间距18mm
插脚形式2+2GND
防护等级IP65(IEC 60529正常安装情况下)
工作电压AC250V DC300V
额定电流10A
接触电阻≤5mΩ
最大引出线3×0.75mm?
安装螺钉M3×30


结构尺寸

公司简介

公司简介

制造能力

制造能力

行业应用

应用行业

合作伙伴

合作伙伴

服务网络

服务网络

相关产品