型号:SB741/XY16412B
类别:热塑性电磁线圈
品牌:腾博官网诚信为本专业服务XINGYU
产地:宁波奉化
技术参数
常规电压
DC12V
常规功率
AC
DC
20W
其他特种电压、特种功率可定做
绝缘等级
H
线圈连接方式
DEUTCH
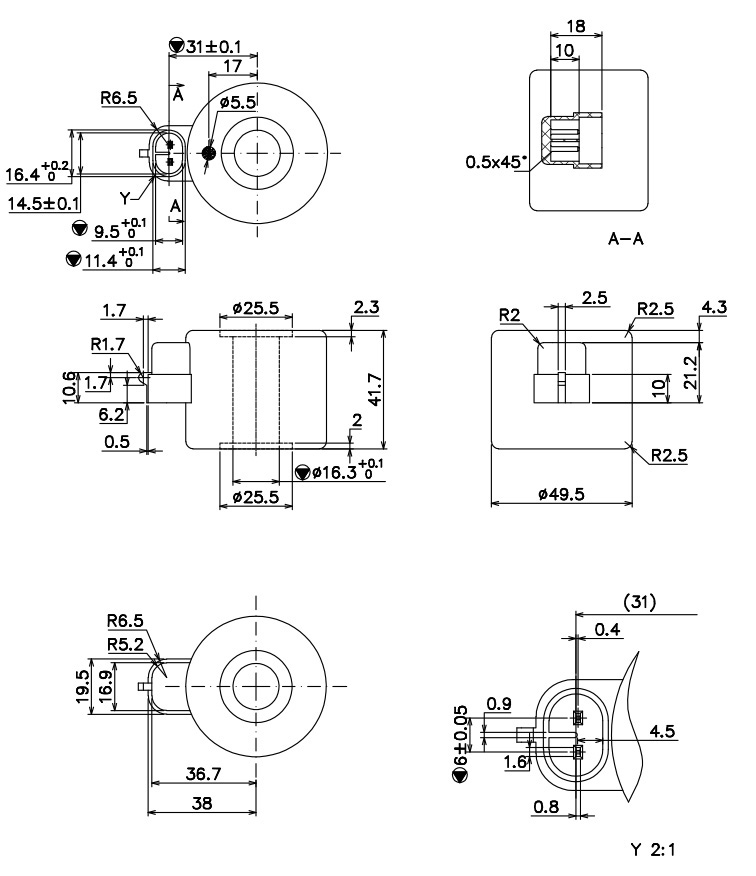
结构尺寸
型号说明
原料展示
公司简介
制造能力
行业应用
合作伙伴
服务网络
上一篇:热塑线圈SB739
下一篇:热塑线圈SB768
热塑性塑封类车用电磁线圈
型号:SB868/XY17352
热塑线圈SB727
型号:SB727/XY11452X
热塑性塑封类制冷专用电磁阀线圈
型号:SB407/GL15393
热塑性塑封类二位二通引线式电磁阀线圈
型号:SB056/AB410B