二位五通400系列单气控换向电磁阀
型号:4A410
类别:二位五通电磁阀
品牌:腾博官网诚信为本专业服务XINGYU
产地:宁波奉化
技术参数
型号 | 4A410-15 |
工作介质 | 压缩空气(经40μm以上滤网过滤) |
动作方式 | 外部先导式 |
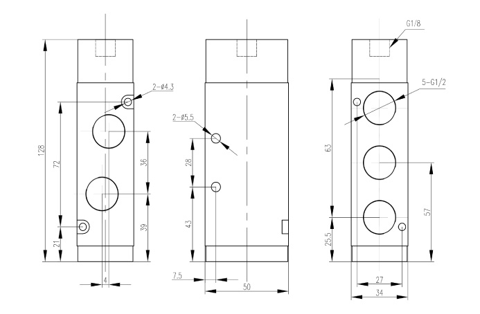
接管口径 | 进气=出气=排气1/2" |
位置数 | 二位五通 |
有效截面积 | 50.0mm?(Cv=1.00) |
使用电压 | DC24V±10%;DC12V±10% |
使用压力范围 | 0.15~0.8MPa |
保证耐压力 | 1.2MPa |
工作温度 | -5~50℃ |
本体材质 | 铝合金 |
润滑 | 不需要 |
最高动作频率 | 5次/秒 |
(1)接管螺纹有G螺纹、PT螺纹可选
(2)最高动作频率为空载状态
结构尺寸
产品特性
安装说明
公司简介
制造能力
行业应用
合作伙伴
服务网络