二位三通换向阀
型号:3V210
类别:二位三通电磁阀
品牌:腾博官网诚信为本专业服务XINGYU
产地:宁波奉化
技术参数
型号 | 3V210-08 |
工作介质 | 压缩空气(经40μm以上滤网过滤) |
动作方式 | 内部先导式 |
接管口径 | 进气=出气=1/4" |
位置数 | 二位三通 |
有效截面积 | 16.0mm?(Cv=0.89) |
使用电压 | DC24V±10%;DC12V±10% |
使用压力范围 | 0.15~0.8MPa |
保证耐压力 | 1.2MPa |
工作温度 | -5~50℃ |
本体材质 | 铝合金 |
润滑 | 不需要 |
最高动作频率 | 5次/秒 |
(1)接管螺纹有G螺纹、PT螺纹可选
(2)最高动作频率为空载状态
电性能参数 | |||||
标准电压 | AC220V | AC110V | AC24V | DC24V | DC12V |
电压范围 | AC±15%;DC±15% | ||||
功率 | 3.5VA | 3.5VA | 4.0VA | 2.5W | 2.5W |
防护等级 | IP65 | ||||
接电方式 | DIN润滑式、出线式 |
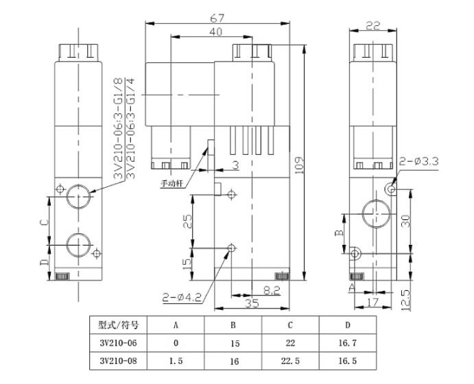
结构尺寸
产品特性
安装说明
公司简介
制造能力
行业应用
合作伙伴
服务网络